Αρχιτεκτονική

        Αρχιτεκτονική

        Η σύνδεση Xiaoguo® Fork κατασκευάζεται σε αυστηρή συμφωνία με το γερμανικό βιομηχανικό πρότυπο DIN 71752-1994 και χρησιμοποιείται για συνδέσεις ταλάντευσης και περιστροφής σε μηχανικά συστήματα. Ο κοινόχρηστης ένωσης υιοθετεί μια ανοιχτή δομή σε σχήμα πιρουνιού και συνεργάζεται με τον πείρο για να επιτύχει αμφίδρομη άρθρωση.
        Μοντέλο:DIN 71752-1994

        Αποστολή Ερώτησης

        περιγραφή προϊόντος


        Η αρθρώση του πιρουνιού χρησιμοποιείται ευρέως σε σενάρια που απαιτούν αντιστάθμιση γωνίας και μετάδοση κίνησης, όπως η ανάρτηση γεωργικών μηχανημάτων, οι αρθρώσεις μηχανικού κ.λπ.


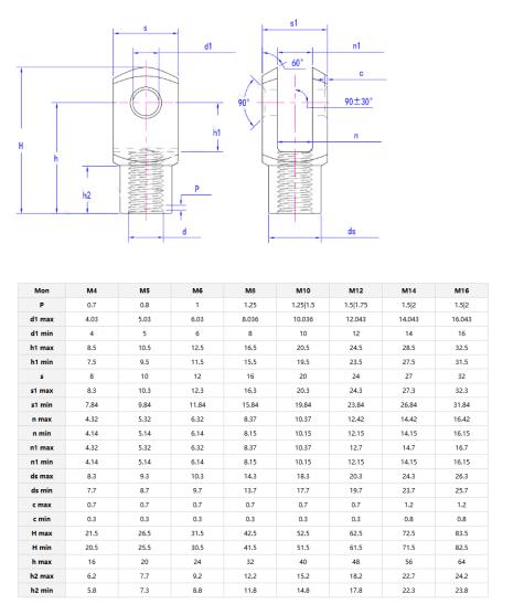
        Λεπτομέρειες και παραμέτρους

        Το συμμετρικό πιρούνι των 120 ° επιτρέπει ± 15 ° Swing. Η άρθρωση του πιρουνιού προσαρμόζεται σε σφάλματα μη ομοσπονδιακής εγκατάστασης και αποφεύγει τη συγκέντρωση του στρες σε άκαμπτες συνδέσεις. Το υλικό αυτής της άρθρωσης μπορεί να επιλεγεί από χάλυβα κράματος 42CRMO (υψηλή αντοχή) ή 316 ανοξείδωτο χάλυβα (αντίσταση στη διάβρωση) για να καλύψει τις ανάγκες διαφορετικών συνθηκών εργασίας.

        Fork joint

        Οι αρθρώσεις πιρούνι είναι κρίσιμες στα συστήματα μεταφοράς, συνδέοντας τμήματα ιμάντων για ομαλή μεταφορά υλικών. Ο διχαλωτός σχεδιασμός τους απορροφά τις δονήσεις και τις πλευρικές δυνάμεις, μειώνοντας τη συντήρηση. Στα ρομποτικά όπλα, οι αρθρώσεις πιρούνι επιτρέπουν τις κινήσεις πολλαπλών αξόνων για ακριβείς εργασίες όπως οι λειτουργίες γραμμής συναρμολόγησης.

        Fork joint

        Διανομή αγοράς

        Αγορά
        Έσοδα (προηγούμενο έτος)
        Συνολικά έσοδα (%)
        Βόρεια Αμερική
        Εμπιστευτικός
        23
        Νότια Αμερική
        Εμπιστευτικός 5
        Ανατολική Ευρώπη
        Εμπιστευτικός
        19
        Νοτιοανατολική Ασία
        Εμπιστευτικός
        2
        Ωκεανία
        Εμπιστευτικός
        3
        Μεσαία ανατολή
        Εμπιστευτικός
        2
        Ανατολική Ασία
        Εμπιστευτικός
        15
        Εσπερία
        Εμπιστευτικός
        15
        Κεντρική Αμερική
        Εμπιστευτικός
        5
        Νότια Ασία
        Εμπιστευτικός
        6

        Ντόπια αγορά

        Εμπιστευτικός
        5


        Γιατί να μας επιλέξετε

        Με την εμπειρία στην παραγωγή του Fork Joint σύμφωνα με το πρότυπο DIN 71752-1994, παρέχουμε δοκιμές ζευγαρώματος pin-fork (καμπύλες γωνίας ροπής) για να εξασφαλιστεί η απόδοση σε επίπεδο συστήματος.

        Συμπληρώσαμε τα μη τυποποιημένα σχέδια στόματος πιρούνι (όπως τα στόμια του πιρουνιού με αυλάκωση λίπανσης και δομές κατά της ολίσθησης) εντός 7 ημερών και η επεξεργασία υποστήριξης με βάση τα σχέδια.



        Hot Tags: Fork Joint, Κίνα, κατασκευαστής, προμηθευτής, εργοστάσιο
        Σχετική Κατηγορία
        Αποστολή Ερώτησης
        Μη διστάσετε να δώσετε το ερώτημά σας στην παρακάτω φόρμα. Θα σας απαντήσουμε σε 24 ώρες.
        X
        Χρησιμοποιούμε cookies για να σας προσφέρουμε καλύτερη εμπειρία περιήγησης, να αναλύσουμε την επισκεψιμότητα του ιστότοπου και να εξατομικεύσουμε το περιεχόμενο. Χρησιμοποιώντας αυτόν τον ιστότοπο, συμφωνείτε με τη χρήση των cookies από εμάς. Πολιτική Απορρήτου
        Απορρίπτω Αποδέχομαι