Αυτά τα καρφιτσωμένα καρφιά των Ηνωμένων Εθνών για πλακέτα PCB είναι συνήθως κατασκευασμένα από καλά κράματα χάλυβα, όπως χαμηλής περιεκτικότητας σε άνθρακα ή ανοξείδωτο χάλυβα ή αλουμίνιο. Έχουν σταθερή μηχανική αντοχή και αντέχουν καλά στο χρόνο.
Τα χαλύβδινα προσφέρουν την μεγαλύτερη αντοχή σε εφελκυσμό και διάτμηση. Τα αλουμινένια, από την άλλη, άγουν καλά τον ηλεκτρισμό και είναι ελαφριά.
Το μέταλλο που επιλέχθηκε για αυτά τα καρφιά σημαίνει ότι μπορούν να χειριστούν βαριά μηχανικά φορτία, καταπονήσεις από τους κύκλους θέρμανσης και ψύξης και να παραμείνουν δυνατά καθ' όλη τη διάρκεια της χρήσης του προϊόντος.
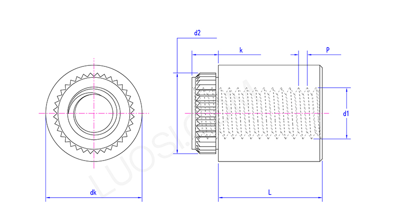
Το καρφωτό μπουλόνι UN για πλακέτα PCB είναι ένας μόνιμος και υψηλής αντοχής συνδετήρας που χρησιμοποιείται για να παρέχει ένα αξιόπιστο εξωτερικό σημείο στερέωσης με σπείρωμα σε πλακέτες τυπωμένου κυκλώματος (PCB). Εδώ, το "UN" αντιπροσωπεύει τυπικά το "Uniform National Standard", αναφερόμενο στον τυποποιημένο τύπο σπειρώματος βιδών που διαθέτει (όπως UNC ή UNF), το οποίο διασφαλίζει τη συμβατότητά του με διάφορα τυπικά παξιμάδια.
Η διαδικασία εγκατάστασης είναι γρήγορη και αποτελεσματική. Εισαγάγετε το μπουλόνι στην προ-ανοιγμένη οπή στην πλακέτα PCB. Στη συνέχεια, χρησιμοποιήστε ένα ειδικό εργαλείο πριτσίνωσης για να παραμορφώσετε το επίπεδο άκρο του καρφιού, προκαλώντας το να διαστέλλεται προς τα έξω και να πιάνει σταθερά μεταξύ της κεφαλής του πριτσινιού και του ώμου ή της φλάντζας του καρφιού, δημιουργώντας έτσι μια ισχυρή και ανθεκτική στους κραδασμούς σύνδεση χωρίς την ανάγκη συγκόλλησης.
Αυτή η μέθοδος είναι ιδιαίτερα κατάλληλη για σενάρια που απαιτούν αντοχή σε μεγάλη μηχανική καταπόνηση, ανάγκη να υποβληθούν σε πολλαπλές εργασίες βύσματος ή όπου η θερμότητα που παράγεται από τη συγκόλληση μπορεί να καταστρέψει ευαίσθητα εξαρτήματα.
Αυτά τα καρφιτσωμένα καρφιά ΟΗΕ για πλακέτα PCB τοποθετούνται χρησιμοποιώντας μια μέθοδο ψυχρής διαμόρφωσης ή πριτσίνωσης.
Κολλάτε το καρφί μέσα από μια προ-ανοιγμένη τρύπα στο PCB. Στη συνέχεια, ένα ειδικό εργαλείο πριτσίνωσης λυγίζει το στέλεχος του καρφιού σε μια μήτρα κάτω από τη σανίδα, δημιουργώντας μια μόνιμη, φουσκωτή κλειδαριά που το συγκρατεί στη θέση του.
Η μέθοδος ψυχρής επεξεργασίας παράγει λιγότερη θερμότητα και δεν θα βλάψει το φύλλο PCB ή το κύκλωμα. Όταν τοποθετηθούν σωστά, τα μπουλόνια παρέχουν ισχυρή και ανθεκτική στους κραδασμούς στερέωση χωρίς να διακυβεύεται η δομή της πλακέτας κυκλώματος.

| Αγορά | Έσοδα (Προηγούμενο έτος) | Συνολικά έσοδα (%) |
| Βόρεια Αμερική | Εμπιστευτικός | 20 |
| Νότια Αμερική | Εμπιστευτικός | 4 |
| Ανατολική Ευρώπη | Εμπιστευτικός | 24 |
| Νοτιοανατολική Ασία | Εμπιστευτικός | 2 |
| Αφρική | Εμπιστευτικός | 2 |
| Ωκεανία | Εμπιστευτικός | 1 |
| Μέση Ανατολή | Εμπιστευτικός | 4 |
| Ανατολική Ασία | Εμπιστευτικός | 13 |
| Εσπερία | Εμπιστευτικός | 18 |
| Κεντρική Αμερική | Εμπιστευτικός | 6 |
| Βόρεια Ευρώπη | Εμπιστευτικός | 2 |
| Νότια Ευρώπη | Εμπιστευτικός | 1 |
| Νότια Ασία | Εμπιστευτικός | 4 |
| Ντόπια αγορά | Εμπιστευτικός | 5 |