Ένα μπουλόνι συγκόλλησης προβολής υψηλής αντοχής είναι ένα ειδικό είδος συνδετήρα που γίνεται για να συνδεθεί έντονα και εύκολα σε μεταλλικά φύλλα ή δομές. Έχει προβολές - συνήθως δαχτυλίδια ή μικρά χτυπήματα - στην πλευρά που αγγίζει το μέταλλο, και αυτά γίνονται σε ακριβή μεγέθη.
Όταν το συγκολλήσατε, πολλά ηλεκτρικά ρεύματα επικεντρώνονται σε αυτές τις προβολές. Αυτό κάνει το μέταλλο εκεί να είναι πραγματικά ζεστό, να λιώσει, και στη συνέχεια, όταν δροσίζει, σχηματίζει μια ισχυρή συγκόλληση. Αυτή η συγκόλληση κρατάει σφιχτά τη συγκόλληση προβολής υψηλής αντοχής στο κομμάτι στο οποίο εργάζεστε.
Μια κύρια δουλειά του Bolt Bolt της προβολής υψηλής αντοχής είναι να δημιουργήσει ένα μόνιμο σημείο προσκόλλησης που βασίζεται σε νήματα που μπορεί να κρατήσει βάρος. Χρειάζεστε ειδικό εξοπλισμό συγκόλλησης προβολής για να τον συγκολλήσετε.
Τα ηλεκτρόδια πιέζουν προς τα κάτω και στέλνουν πολλή ηλεκτρική ενέργεια μέσω των προβολών του μπουλονιού και το μεταλλικό κομμάτι με το οποίο εργάζεστε. Ο τρόπος με τον οποίο γίνεται ο μπουλόνι συγκόλλησης σημαίνει μόνο τις προβολές που λιώνουν - τίποτα περισσότερο. Όταν κρυώσουν, σχηματίζουν έναν ισχυρό μεταλλικό δεσμό και το μέταλλο γύρω από αυτό δεν λυγίζει ή στρεβλωθεί πολύ.
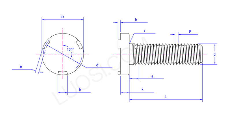
| Σερβίρισμα | Μ5 | Μ6 | Μ8 | M10 |
| P | 0.8 | 1 | 1.25 | 5 |
| DK Max | 12.4 | 14.4 | 16.4 | 20.4 |
| DK Min | 11.6 | 13.6 | 15.6 | 19.6 |
| k max | 2 | 2.2 | 3.2 | 4.2 |
| K min | 1.6 | 1.8 | 3.2 | 4.2 |
| και μέγιστο | 2.25 | 2.75 | 2.25 | 2.75 |
| Ε λεπτό | 1.75 | 2.25 | 1.75 | 2.25 |
| B Μέγιστο | 3.3 | 4.3 | 5.3 | 6.3 |
| Β ελάχιστο | 2.7 | 3.7 | 4.7 | 5.7 |
| H max | 0.8 | 0.9 | 1.1 | 1.3 |
| H min | 0.6 | 0.75 | 0.9 | 1.1 |
| d1 max | 10 | 11.5 | 14 | 17.5 |
| D1 λεπτά | 9 | 10.5 | 13 | 16.5 |
| R min | 0.2 | 0.25 | 0.4 | 0.4 |
| r max | 0.6 | 0.7 | 0.9 | 1.2 |
| ένα μέγιστο | 3.2 | 4 | 5 | 5 |

Ένας μπουλόνι συγκόλλησης προβολής υψηλής αντοχής έχει ελάχιστα ανυψωμένα μέρη - συνήθως δαχτυλίδια ή μικρές χτυπήματα - στην πλευρά που συγκολλείται. Όταν το συγκολλήσατε, πολλή ηλεκτρική ενέργεια επικεντρώνεται σε αυτά τα ανυψωμένα μέρη. Λιώνουν αμέσως ενάντια στο βασικό μέταλλο, ενώ το ηλεκτρόδιο πιέζει προς τα κάτω.
Αυτό κάνει ισχυρές, σφιχτές συγκολλήσεις που κρατούν το μπουλόνι στη θέση του καλά. Λειτουργούν υπέροχα για θέσεις εργασίας σε φύλλα.