Οι βίδες επέκτασης αυτοπεποίθησης αποτελούνται κυρίως από βίδες, σωλήνες διαστολής, παξιμάδια και άλλα μέρη. Κατά τη διάρκεια της εγκατάστασης, σφίγγοντας το παξιμάδι, η βίδα θα οδηγήσει τον σωλήνα διαστολής για να επεκταθεί μέσα στην γεώτρηση, καθορίζοντας έτσι τον τοίχο ή άλλη επιφάνεια βάσης.
	
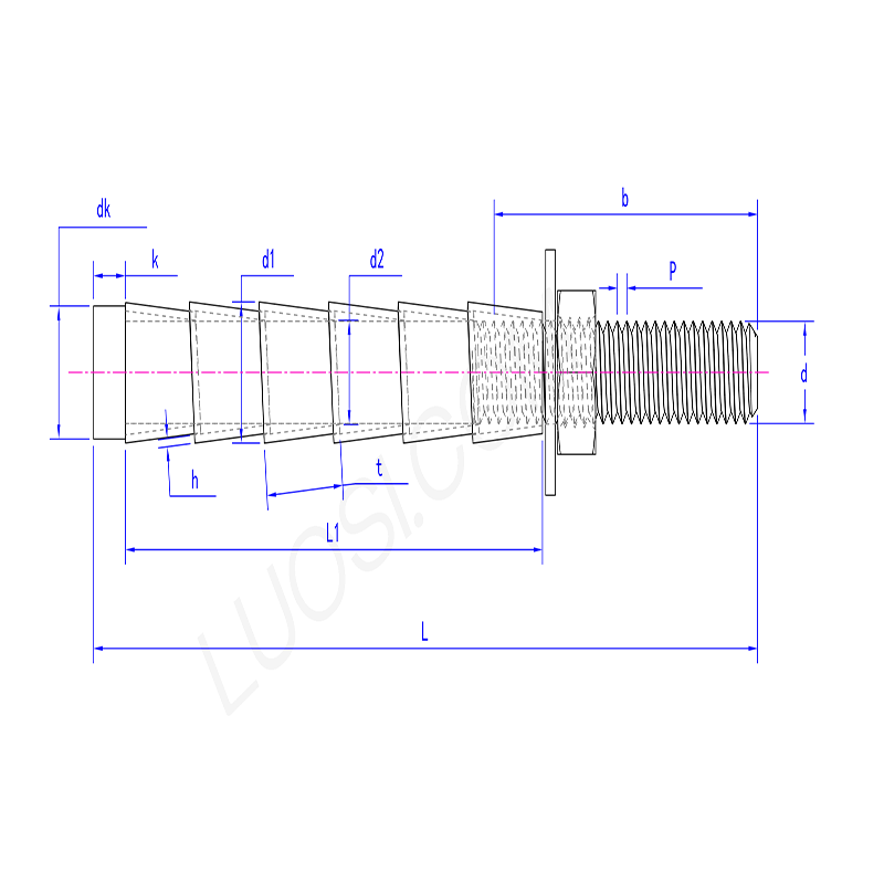
| Σερβίρισμα | Μ6 | Μ8 | M10 | M12 | M16 | M20 | M22 | M24 | 
| P | 1 | 1.25 | 1.5 | 1.75 | 2 | 2.5 | 2.5 | 3 | 
| DK Max | 10 | 12 | 14 | 16 | 20 | 24 | 26 | 28 | 
| DK Min | 9 | 11 | 13 | 15 | 19 | 23 | 25 | 27 | 
| L1 | 45 | 60 | 70 | 75 | 100 | 125 | 150 | 180 | 
| k | 5 | 5 | 5 | 5 | 5 | 5 | 5 | 5 | 
| D1 | 9.8 | 11.8 | 13.8 | 15.8 | 19.8 | 23.8 | 25.8 | 27.8 | 
| D2 | 6.2 | 8.2 | 10.2 | 12.2 | 16.2 | 20.2 | 22.2 | 24.2 | 
| h | 0.6 | 0.8 | 0.8 | 0.8 | 0.9 | 1 | 1 | 1.2 | 
| t | 10 | 12 | 12 | 14 | 14 | 16 | 16 | 20 | 
| L | 65 | 85 | 100 | 110 | 150 | 200 | 250 | 300 | 
	
Η αυτο-αγκιστωτική επέκταση μπορεί να αγκυροβολήσει σταθερά αντικείμενα σε δομές σκυροδέματος ή τοιχοποιίας. Απλά πρέπει να τρυπήσετε τρύπες, να τοποθετήσετε τα μπουλόνια και στη συνέχεια να σφίξετε τα παξιμάδια. Όταν σφίγγει, ο ίδιος ο μπουλόνι θα επεκταθεί μέσα στην τρύπα. Συνήθως σχηματίζεται τραβώντας τον κώνο στο μανίκι, δημιουργώντας έτσι μια σταθερή μηχανική κλειδαριά και σταθερά το καθορίζοντας στον τοίχο.
	
Η εγκατάσταση των βιδών επέκτασης αυτο -αγκύρωσης είναι πολύ απλή: τρύπες από το σωστό μέγεθος, αφαιρέστε τη σκόνη, χτυπήστε τα μπουλόνια με ένα σφυρί και στη συνέχεια σφίξτε τα καρύδια με ένα κλειδί. Κατά τη διάρκεια της διαδικασίας σύσφιξης, ο μηχανισμός επέκτασης αναγκάζεται να ανοίξει και να κατανοήσει σταθερά το βασικό υλικό. Πρόκειται για μια άμεση διαδικασία "εγκατάστασης και σφίξες" που μπορεί να επιτύχει μια σταθερή σταθεροποίηση.
	
Για παράδειγμα, διορθώστε το βραχίονα στον τοίχο από σκυρόδεμα, διορθώστε τη μηχανική βάση στο πάτωμα, διορθώστε το χειρολισθήρα ή διορθώστε τη στήλη στο θεμέλιο. Είναι εξαιρετικά κατάλληλα για μεσαίες έως βαριές λειτουργίες σε στερεό σκυρόδεμα, τούβλα ή μπλοκ, όπου πρέπει να προσθέσετε ένα ισχυρό και αποσπώμενο σημείο αγκύρωσης μετά την κατασκευή του ίδρυμα.
	
Οι βίδες επέκτασης αυτοπεποίθησης έχουν ισχυρή προσαρμοστικότητα. Έχει ισχυρή προσαρμοστικότητα σε διαφορετικά βασικά επίπεδα. Είτε πρόκειται για ένα τσιμεντένιο τοίχο, τοίχο από τούβλα ή για μια ξύλινη δομή, όσο οι κατάλληλες τρύπες είναι διάτρητοι, μπορεί να διαδραματίσει έναν πολύ καλό ρόλο αγκυροβόλησης. Επιπλέον, έρχεται σε διαφορετικές προδιαγραφές. Σύμφωνα με τις πραγματικές απαιτήσεις εγκατάστασης και την κατάσταση της επιφάνειας βάσης, το κατάλληλο μέγεθος μπορεί να επιλεγεί για να ικανοποιήσει διάφορα σενάρια εγκατάστασης.
	