Σπίτι > Προϊόντα > Παξιμάδι > Βιδώστε το Παξιμάδι > Εργαλεία υλικού Κυλώντας Παξιμάδι
        Εργαλεία υλικού Κυλώντας Παξιμάδι
        • Εργαλεία υλικού Κυλώντας ΠαξιμάδιΕργαλεία υλικού Κυλώντας Παξιμάδι
        • Εργαλεία υλικού Κυλώντας ΠαξιμάδιΕργαλεία υλικού Κυλώντας Παξιμάδι

        Εργαλεία υλικού Κυλώντας Παξιμάδι

        Εξασφαλίστε τη συμμόρφωση και την ασφάλεια του συστήματος. Το προϊόν XIAO GUO Hardware Tools Rolling Nut με πιστοποίηση CE πληροί αυστηρά πρότυπα. Τα παξιμάδια μας είναι κατασκευασμένα για αξιόπιστη, μακροχρόνια λειτουργία σε απαιτητικά βιομηχανικά περιβάλλοντα.

        Αποστολή Ερώτησης

        περιγραφή προϊόντος

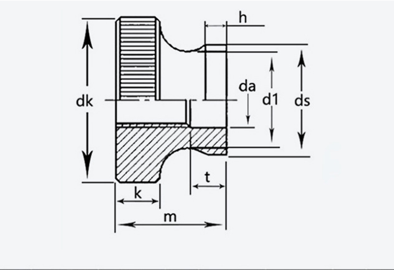
        Οι προδιαγραφές του Hardware Tools Rolling Nut για εργαλεία υλικού περιλαμβάνουν κυρίως το εσωτερικό μέγεθος σπειρώματος και την εξωτερική διάμετρο. Τα μεγέθη νημάτων κυμαίνονται από M2 έως M8, τα οποία είναι τα πιο κοινά για τη συναρμολόγηση λεπτής λαμαρίνας. Οι εξωτερικές διάμετροι ταιριάζουν με αυτά τα σπειρώματα—τα μικρότερα νήματα συνδυάζονται με μικρότερες διαμέτρους, ώστε να ταιριάζουν σωστά στις προ-ανοιγμένες τρύπες. Απλώς επιλέγετε με βάση το μέγεθος μπουλονιού που θα χρησιμοποιήσετε με αυτό.

        Οι βαθμοί είναι απλοί: τυπικός βαθμός και βαθμός υψηλής αντοχής. Η τυπική ποιότητα λειτουργεί για κανονικές εργασίες, όπως βραχίονες επίπλων ή θήκες ηλεκτρονικών. Ο βαθμός υψηλής αντοχής είναι κατασκευασμένος από παχύτερο υλικό, κατάλληλο για μηχανές ή εξαρτήματα που πρέπει να αντέχουν περισσότερη δύναμη χωρίς να γλιστρούν.

        Κάθε παξιμάδι έχει τις προδιαγραφές και την ποιότητά του σημειωμένα στην ετικέτα της συσκευασίας, επομένως είναι εύκολο να επιλέξετε το σωστό. Χωρίς περίπλοκη κωδικοποίηση, μόνο βασικοί αριθμοί και λέξεις. Οι προδιαγραφές και οι ποιότητες του Rolling Nut του Hardware Tools καλύπτουν τις πιο συνηθισμένες ανάγκες επεξεργασίας λαμαρίνας, χωρίς επιπλέον φανταχτερές επιλογές.

        Hardware Tools Rolling Nut

        Έλεγχος ποιότητας προϊόντων

        Ξεκινάμε με ελέγχους πρώτων υλών. Κάθε παρτίδα μετάλλου ελέγχεται για ρωγμές, βαθουλώματα ή αδύναμα σημεία. Μόνο πιστοποιημένο υλικό μπαίνει στην παραγωγή—αυτό είναι το πρώτο βήμα για να διατηρήσετε την ποιότητα στο ίδιο επίπεδο.

        Κατά τη διάρκεια της παραγωγής, κάνουμε τακτικά επιτόπιους ελέγχους. Εξετάζουμε πρώτα την ακρίβεια του νήματος. πρέπει να εφαρμόζουν ομαλά τα μπουλόνια χωρίς σφιχτά ή χαλαρά σημεία. Επίσης μετράμε συχνά την εξωτερική διάμετρο και το πάχος για να βεβαιωθούμε ότι ταιριάζουν με τις τυπικές προδιαγραφές. Η επεξεργασία της επιφάνειας ελέγχεται επίσης, διασφαλίζοντας ότι δεν υπάρχουν λεπτές επιμεταλλώσεις ή χαμένες περιοχές που θα μπορούσαν να προκαλέσουν σκουριά.

        Πριν από την αποστολή, τα τυχαία δείγματα από κάθε παρτίδα υποβάλλονται σε δοκιμές εγκατάστασης. Τα πιέζουμε σε λαμαρίνα και δοκιμάζουμε αν κρατάνε σταθερά χωρίς να γλιστρήσουν. Ελέγχουμε επίσης για τυχόν επιφανειακές γρατζουνιές ή παραμορφώσεις. Το Hardware Tools Rolling Nut ακολουθεί αυτά τα απλά αλλά αυστηρά βήματα για να βεβαιωθεί ότι λειτουργεί καλά για καθημερινές εργασίες συναρμολόγησης.

        Συνεδρία Q&A

        Ε: Θα σκουριάσει εύκολα σε παραθαλάσσιες υγρές περιοχές;

        Α: Εξαρτάται από την επιφανειακή επεξεργασία. Τα ψευδάργυρα μπορεί να σκουριάσουν μετά από 1-2 χρόνια σε υψηλή υγρασία. Τα γαλβανισμένα εν θερμώ ή από ανοξείδωτο χάλυβα είναι καλύτερα για τις παράκτιες περιοχές — μπορούν να αντισταθούν στην ομίχλη αλατιού και στην υγρασία για 5-8 χρόνια. Εάν τα προϊόντα σας χρησιμοποιούνται σε εξωτερικούς χώρους, προτείνουμε να επιλέξετε  παξιμάδι από ανοξείδωτο χάλυβα. Μπορούμε επίσης να παρέχουμε αναφορές δοκιμών αντοχής στη διάβρωση για αναφορά σας.  

        Hardware Tools Rolling Nut


        μέγεθος Πίσσα Εξωτερική διάμετρος Υψος k ds δα δ1 T h
        μέγ ελάχ μέγ ελάχ μέγ ελάχ μέγ ελάχ μέγ
        Μ3 0,5  11  10.7  6.64  2.8  5.7  3.5  3.2  5.2  1.2 
        Μ4 0,7  12  11.7  7,64  7,64  4.5  4.2  6.4  2.5  1.5 
        Μ5 0,8  16  15.7  10  96,6  10  9,64  5.5  5.5 
        Μ6 20  19.7  12  11.6  12  11.6  6,56  6.2  11  2.5 
        Μ8 1,25  24  23.7  16  15.6  16  15.6  8.86  8.5  13 
        Μ10 1.5 30 29.7 20 19.5 8 20 19.5 10.9 10.5 17.2 6.5 3.8
        Hot Tags: Εργαλεία υλικού Rolling Nut, Κίνα, Κατασκευαστής, Προμηθευτής, Εργοστάσιο
        Σχετική Κατηγορία
        Αποστολή Ερώτησης
        Μη διστάσετε να δώσετε το ερώτημά σας στην παρακάτω φόρμα. Θα σας απαντήσουμε σε 24 ώρες.
        X
        Χρησιμοποιούμε cookies για να σας προσφέρουμε καλύτερη εμπειρία περιήγησης, να αναλύσουμε την επισκεψιμότητα του ιστότοπου και να εξατομικεύσουμε το περιεχόμενο. Χρησιμοποιώντας αυτόν τον ιστότοπο, συμφωνείτε με τη χρήση των cookies από εμάς. Πολιτική Απορρήτου
        Απορρίπτω Αποδέχομαι