Σταυρό χωνευτή βίδα
        • Σταυρό χωνευτή βίδαΣταυρό χωνευτή βίδα
        • Σταυρό χωνευτή βίδαΣταυρό χωνευτή βίδα
        • Σταυρό χωνευτή βίδαΣταυρό χωνευτή βίδα

        Σταυρό χωνευτή βίδα

        Για έργα μεγάλου όγκου, η Xiaoguo αναθέτει σε αποκλειστικούς διαχειριστές έργων να συντονίζουν τις παραδόσεις. Οι εγκάρσιες βίδες διαφέρουν από τις κανονικές. Με τις βίδες με αστέρια, τόσο το κατσαβίδι όσο και η ίδια η βίδα δεν χτυπούν τόσο πολύ. Έτσι διαρκούν περισσότερο και μπορείτε να βασίζεστε περισσότερο σε αυτά.
        Μοντέλο:CNS 4490-1981

        Αποστολή Ερώτησης

        περιγραφή προϊόντος

        Σταυρό χωνευτή βίδαλάβετε ειδικές επιφανειακές επεξεργασίες για να διαρκέσουν περισσότερο. Οι επικαλύψεις ψευδαργύρου-νικελίου έχουν ισχυρή αντισκωριακή ικανότητα και χρησιμοποιούνται συχνά σε πλοία ή αυτοκίνητα. Η επίστρωση μαύρου οξειδίου μπορεί να μειώσει τη γυαλάδα και να ενισχύσει το κράτημα όταν σφίγγεται, αποτρέποντας την ολίσθηση του εργαλείου. Οι παθητικοποιημένες επιστρώσεις από ανοξείδωτο χάλυβα μπορούν να αποτρέψουν τη σκουριά χωρίς να επηρεάσουν την ηλεκτρική αγωγιμότητα. Οι εκδόσεις παθητικοποιημένου ανοξείδωτου χάλυβα αντιστέκονται στη σκουριά χωρίς να ενοχλούν την αγωγιμότητα. Τα ηλεκτρογυαλισμένα φινιρίσματα διατηρούν τα πράγματα καθαρά για ιατρικά ή τρόφιμα. Αυτές οι επεξεργασίες μπορούν να προστατεύσουν τις βίδες από τις περιβαλλοντικές επιρροές και να τις κάνουν καλύτερα συμβατές με διάφορα υλικά όπως αλουμίνιο-πλαστικό και σύνθετα υλικά

        Cross Recessed Screw

        Λεπτομέρειες και παράμετροι προϊόντος

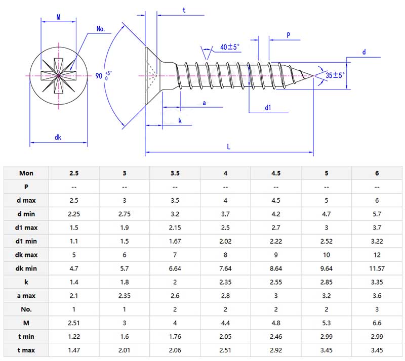
        Το μέγεθος τουΣταυρό χωνευτή βίδακυμαίνεται από M2 έως M12, και είναι κατάλληλα για λεπτές μικρο-λειτουργίες καθώς και για βαριές εργασίες. Τα μήκη κυμαίνονται από 5 mm έως 150 mm και η απόσταση του νήματος προσαρμόζεται για διαφορετικά υλικά. Για παράδειγμα, χονδροειδείς κλωστές χρησιμοποιούνται για ξύλο και λεπτές κλωστές για μέταλλο. Το ύψος του κεφαλιού τους μπορεί να είναι από 2 mm έως 10 mm, κάτι που τους βοηθά να ταιριάζουν ομαλά σε όλα τα είδη εγκατάστασης. Μπορείτε να τα αποκτήσετε σε μετρικά ή αυτοκρατορικά μεγέθη, ώστε να μπορούν να χρησιμοποιηθούν σε όλο τον κόσμο. Υπάρχουν λεπτομερή τεχνικά σχέδια και αρχεία CAD έτοιμα για αυτές τις βίδες, που διευκολύνουν τη συμπερίληψή τους σε μηχανολογικά σχέδια.

        Cross Recessed Screw

        FAQ


        Ε: ΜπορείΣταυρό χωνευτή βίδααντικατάσταση παραδοσιακών βιδών Phillips ή σχισμής σε υπάρχουσες εφαρμογές;

        A: Αυτή η βίδα είναι κατασκευασμένη για να αντικαθιστά απευθείας τη Phillip ή τη βίδα με σχισμή. Η αυλάκωση στην κεφαλή κινείται με μεγαλύτερη ροπή αποτελεσματικά, έτσι το κατσαβίδι δεν θα γλιστράει και η βίδα δεν θα καταστραφεί τόσο εύκολα. Αφού τα τοποθετήσετε, η επίπεδη κεφαλή κάθεται στο ίδιο επίπεδο με την επιφάνεια, κάτι που είναι πολύ σημαντικό για βιομηχανίες όπου η εμφάνιση των πραγμάτων έχει σημασία, όπως η κατασκευή επίπλων ή οι ιατρικές συσκευές. Έχουμε γραφήματα για να σας βοηθήσουμε να ταιριάξετε τα μεγέθη αυτών των βιδών (όπως M3 έως M12) με τα παλιά σας συστήματα, ώστε να μπορείτε να τα χρησιμοποιείτε χωρίς να χρειάζεται να κάνετε δαπανηρές αλλαγές.

        Hot Tags: Σταυρός χωνευτός κοχλίας, Κίνα, Κατασκευαστής, Προμηθευτής, Εργοστάσιο
        Σχετική Κατηγορία
        Αποστολή Ερώτησης
        Μη διστάσετε να δώσετε το ερώτημά σας στην παρακάτω φόρμα. Θα σας απαντήσουμε σε 24 ώρες.
        X
        Χρησιμοποιούμε cookies για να σας προσφέρουμε καλύτερη εμπειρία περιήγησης, να αναλύσουμε την επισκεψιμότητα του ιστότοπου και να εξατομικεύσουμε το περιεχόμενο. Χρησιμοποιώντας αυτόν τον ιστότοπο, συμφωνείτε με τη χρήση των cookies από εμάς. Πολιτική Απορρήτου
        Απορρίπτω Αποδέχομαι